Mostafa zaghloul
Published

Full adder

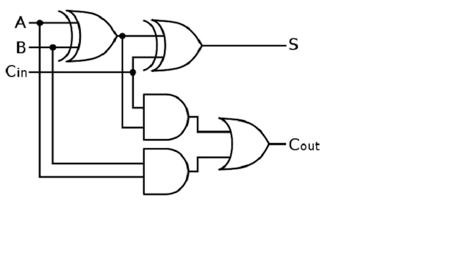
The full-adder circuit adds three one-bit binary numbers (C A B) and outputs two one-bit binary numbers, a sum (S) and a carry (C1). 

BeginnerFull instructions provided10
Full adder

Custom parts and enclosures

the full Details

Schematics

the full Details

Credits

Mostafa zaghloul
6 projects • 19 followers
mostafa zaghloul a communication engineer student at "Egypt's Higher Institute Mansoura"

Comments