Some time ago I presented you a project for a 3W stereo tube amplifier with a GU32 output vacuum tube. This time I will present you a way to make a quality stereo Tube preamplifier with three selectable inputs with ECC83 vacuum tubes. The circuit diagram is taken from a local electronics magazine "Emiter" from 2011 and the author of the project was Mr. Emilian Iljoski.
From this project I will use only the preamplifier part with minor modifications and I will implement the power supply in a slightly different way. The heart of the preamplifier are the well-known ECC83 tubes that are widely used in quality branded audio preamplifier stages.
This project is sponsored by PCBWay . From concept to production, PCBWay provide cutting-edge electronic design solutions for global innovators, Including hardware design, software development, mechanical design, product testing and certification. PCBWay engineering team consists of experienced engineers in electronics, embedded systems, and product development. They successfully delivered hundreds of projects across industries such as medical devices, industrial automation, consumer electronics, smart home, and IoT.
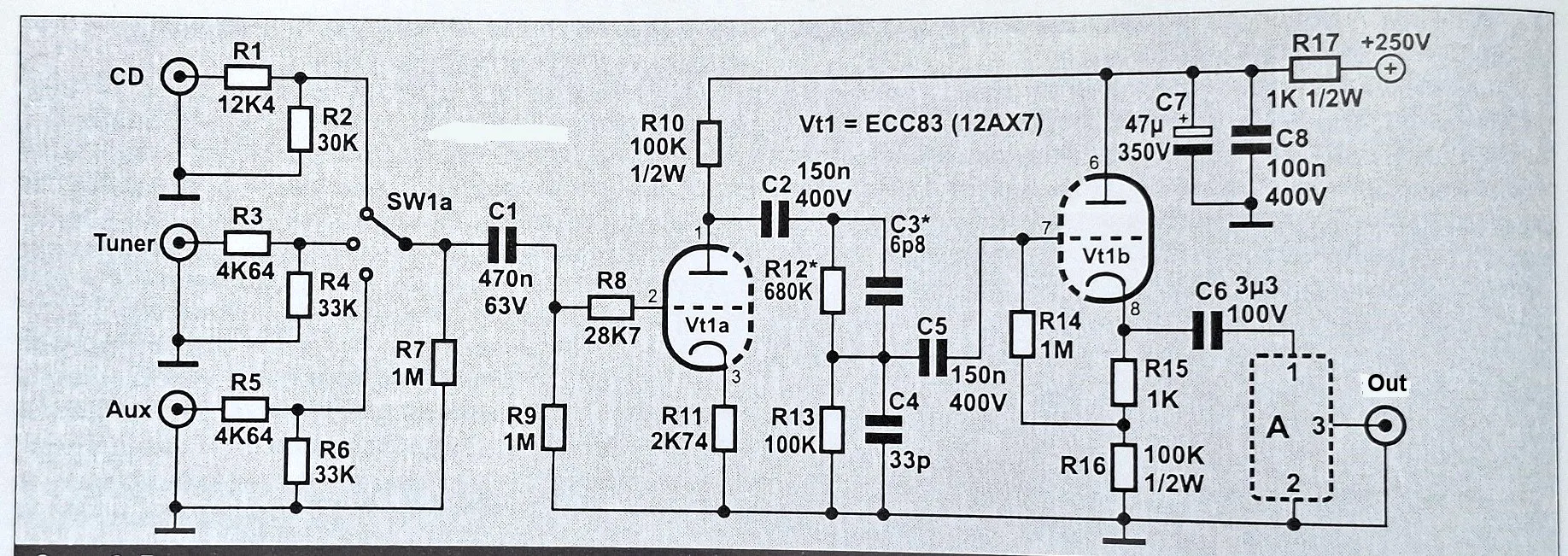
The original project contains a number of characteristic elements that are relatively difficult to obtain, but I tried to replace them with standard available components without major losses in quality. At the end of the text, the original circuit diagram for one channel is given, and the other channel is identical. I made the PCB for this prototype like in the old days by drawing with a permanent marker.
In almost all tube projects, the most difficult part to purchase and make is the power supply stage. This project in particular uses a 250V DC power supply plus 12V for heating the cathodes of the tubes. I solved this in a very easy and elegant way with the help of a cheap DC-DC boost converter.
This preamplifier does not require high currents, so this converter is ideal for this purpose. The input voltage the converter is 12V and the same voltage is used for heating the tubes. At the output of the converter, we set a voltage of exactly 250V using this small multiturn potentiometer. Now let's look inside the preamplifier. In one part there is the DC-DC module which is desirable to be shielded to avoid interference with the preamplifier. Also the preamplifier PCB as well as the input section should be shielded for the previously mentioned reasons.
The coaxial cables used should be as high quality and short as possible. For the same reason the voltage dividers are made directly on the input connectors themselves. I use a 2x6 switch to select the inputs. The original project contains an attenuator instead of a potentiometer, but for the sake of economy and simplicity I decided to use a potentiometer.
The original project is titled High-End audio preamplifier, which is confirmed by the measurements performed, but I did not have such strict criteria for this particular project and my goal was a proof of work but also a relatively good mid-high class preamplifier.
Here are the measured technical characteristics and the subjective description of the sound quality from the author's side:
- Frequency range: 20Hz -100kHz (+/-3dB); 32Hz-20kHz (+/-1dB)
- Distortion: Second harmonic 0.8%, Third harmonic 0.1%, Fourth harmonic 0.3%
- Signal/Noise Ratio: 81dB(A)
- Channel Crosstalk 78dB at 1kHz
Sound characteristics: Fills the room with a pleasant and soft sound. Very good reproduction of the midrange with excellent separation of wind instruments. A small dose of undefined sound image in string instruments. Pleasantly surprising is the excellent dynamics of the midrange and high tones.
At the time of production, I did not have enough quality MKP capacitors, but I will certainly purchase and install them in place of the standard ones in the future. Also, the tubes I use in this project were taken from old faulty audio devices, but I plan to replace them with new quality ones.
Now let's see how the device works in real conditions. First of all, let me tell you that this is one of the rare projects that worked for me right from the first test. In fact, in these Tubes projects, there is almost no way to do any major damage as a result of incorrect connections, which is a common case with semiconductor devices. Of course, the video will in no way be able to capture the real sound, so you will have to trust my claims or make it yourself and hear the sound quality.
In this presentation I use an output amplifier with a GU32 Tube, shown in one of my previous projects. The source of the audio signal is my PC. I must say that I am very pleasantly surprised by the difference in sound when I feed the signal from the PC directly to the Power Amplifier, and through this preamplifier. This is probably due to the adjusted impedances between the preamplifier and the output amplifier. Although I am not using quality audio grade capacitors for now, the sound is, in a word, wonderful and it is really worth your while to make this Preamplifier as part of your audio system. Here is really expressed that soft, pleasant sound characteristic of vacuum tube audio devices. I even tested it as a preamplifier stage of a modern integrated amplifier and I can conclude that it greatly colors the sound, bringing it closer to the Tube sound.
In fact, it is pointless to get into debates about sound quality, primarily because it is a subjective category, and not to mention that nowadays the younger generations compete in the quality and volume of sound on their mobile devices and phones. Even in this video (but only for practical reasons) I use compressed.MP3 music as the sound source. It is really funny, but also sad.
For now I have omitted several components here, such as a timer for preheating the tubes, shielding of all modules, an attenuator instead of a potentiometer, and other "little things" that should certainly be included in the final product.
And finally, a short conclusion. In the original project, this preamplifier is defined as a High-End audio component, so if you strictly adhere to the recommendations and the scheme given by the author, it will be worth much more than the invested effort and money. I say this based on the listening test specifically of my preamplifier made with standard relatively cheap components, and also from the experience of several of my previous successfully completed projects by this author.








Comments