Developing a Robust Industrial Arduino with ATtiny1616
Introduction
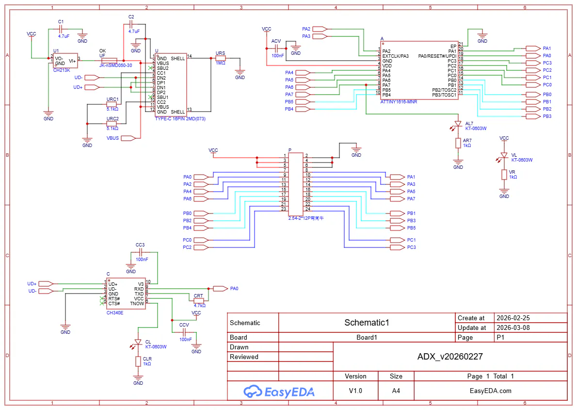
My goal is to develop a reliable, industrial-grade Arduino ( software ) compatible board. While many development boards are excellent for rapid prototyping, they often lack the robustness required for actual industrial environments. I am bridging that gap by creating a compact, powerful board centered around the ATtiny1616.
The Heart of the Project: ATtiny1616
I chose the ATtiny1616-MNR for this project. As part of the modern tinyAVR 1-series, it offers an incredible balance of performance, low power consumption, and a rich peripheral set, all within a small QFN package that is perfect for space-constrained industrial applications.
Milestone: Version 2 (V2) Success
The V2 prototype was a significant step forward in validating the core architecture. During this phase, I successfully achieved the following:
PCBA Implementation: Confirmed the assembly process and structural integrity of the ATtiny1616-MNR on a custom PCB.
UPDI Programming: Verified that sketches can be uploaded seamlessly via the UPDI interface using the Arduino IDE (powered by the megaTinyCore).
Functional Test: The classic "Blink" test was successful, confirming that the power circuitry, clock, and logic are functioning perfectly.
Current Progress: Designing Version 3 (V3)
Following the success of V2, I am currently in the circuit design phase for Version 3. This iteration is all about moving from a "working prototype" to a "field-ready tool."
In V3, I am focusing on:
Refining Power Regulation: Improving thermal performance and voltage stability.
Enhanced Protection: Adding transient voltage suppression and ruggedized I/O to meet industrial standards.
Optimized Layout: Making the board even easier to mount and integrate into existing systems.
What's Next?
I will be documenting the entire transition from V2 to V3 here on Hackster. I plan to post updates as the new V3 boards arrive from the fab and testing begins.
Stay tuned for performance benchmarks and detailed schematics!



_9L9NKs12vO.png)





Comments