There are many hobbyist and professional wearable electronics projects out there. But one thing becomes clear when you try to build one: they are hard to iterate on.
Because of the small components and dense layouts, adding a new feature often means redesigning the entire PCB. This slows down experimentation and makes rapid prototyping difficult.
I wanted a more flexible approach. A way to build, test, and evolve a wearable system without starting from scratch every time.
The IdeaThis project explores a modular, stackable architecture for wearable electronics. Instead of a single monolithic board, each function lives on its own module. The system can be reconfigured by stacking or swapping layers.
The goal is to create something that is not only functional, but also easy to extend and modify.
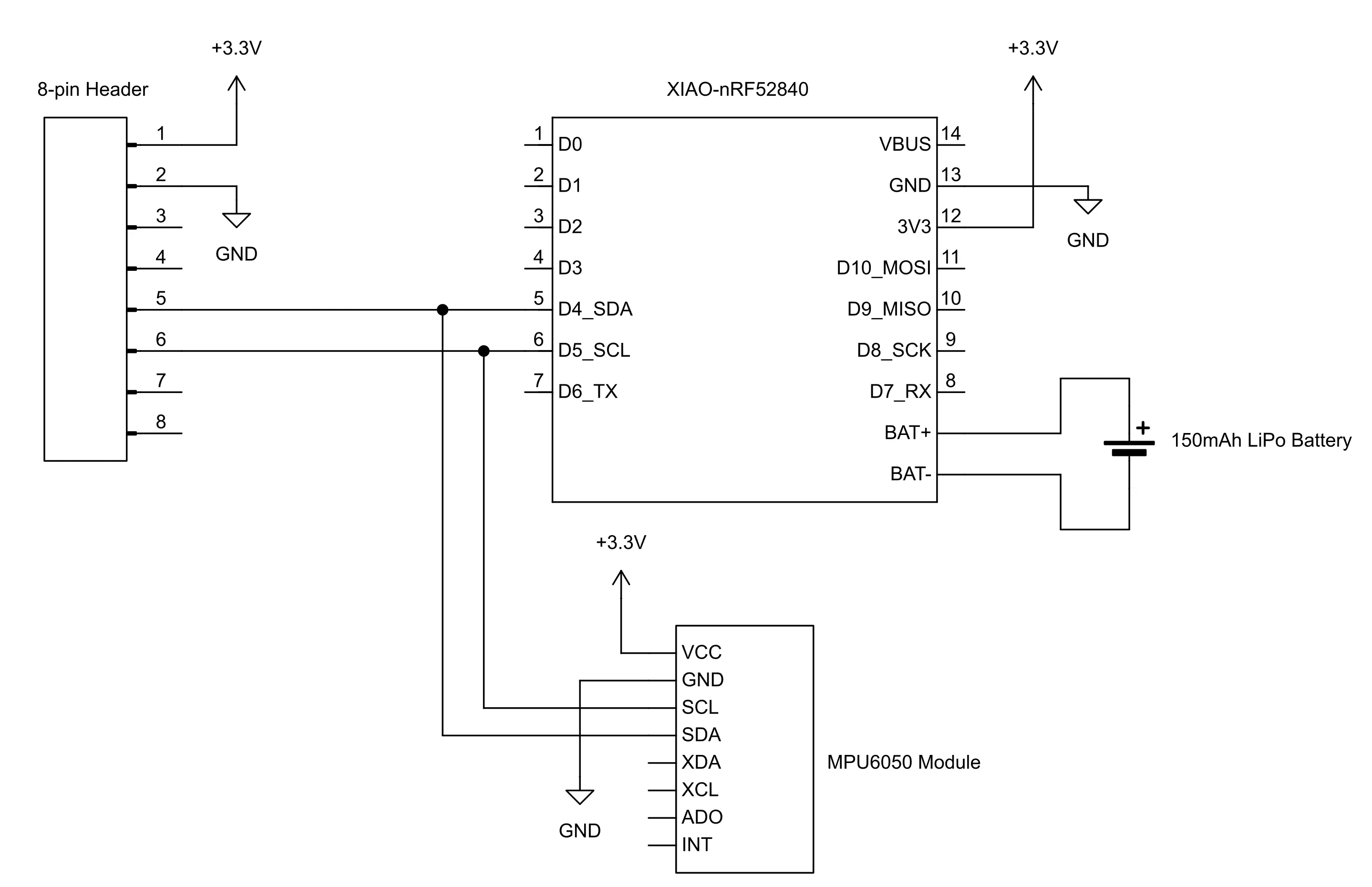
System OverviewAt the core of the system is a Xiao nRF52840 microcontroller, which handles processing and Bluetooth Low Energy communication. This core module includes a battery, an IMU module for motion tracking and step counting, and connectors to plug expansion modules above and below.
Around it, different modules provide specific functionality:
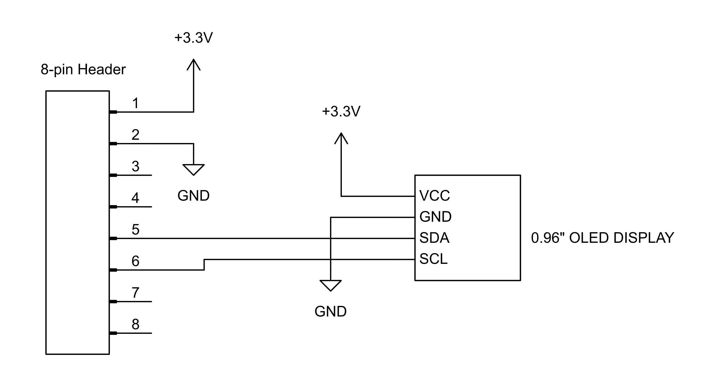
- A display module for real-time feedback, mounted on top
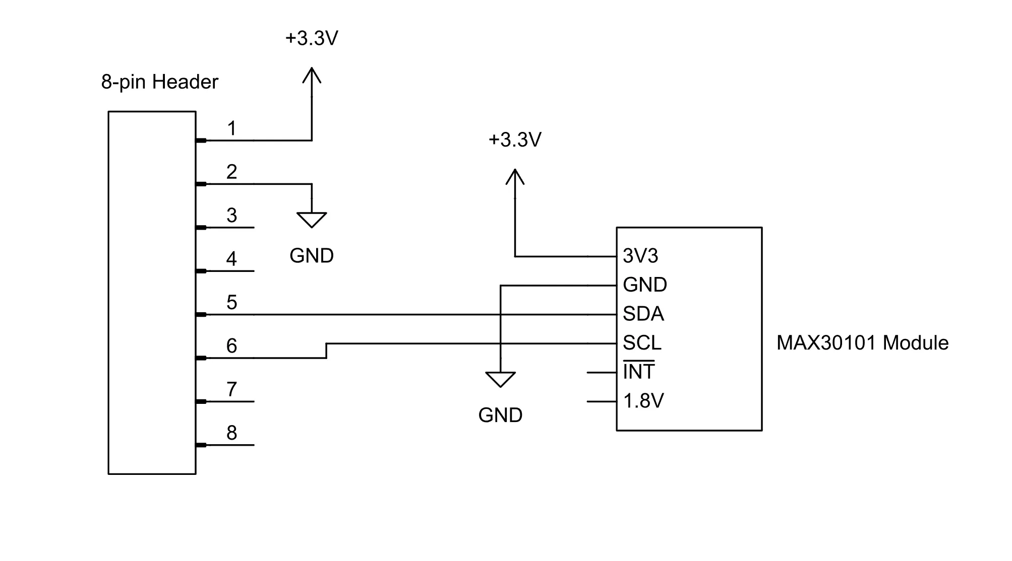
- A heart rate sensor module based on the MAX30101, mounted on bottom
All modules are connected using stackable headers, forming a compact layered structure.
Each module has a single responsibility:
Core module (MCU + Battery + IMU): Hosts the nRF52840 and coordinates all peripherals, battery charging and motion detection.
Display module: A monochrome OLED used to show sensor data such as heart rate and step count.
Heart rate module: Based on the MAX30101, capable of detecting pulse signals when placed on the skin.
This separation makes it easier to modify or upgrade individual parts without affecting the rest of the system.
What it can doIn its current form, the platform supports:
- Heart rate monitoring using the MAX30101
- Step counting using IMU data
- Real-time display output on the OLED
- Wireless data transmission over BLE
It is still a prototype, but it already shows how multiple modules can work together in a flexible way.
ChallengesWorking with a modular stack introduces some challenges.
Signal quality from the heart rate sensor required some tuning (getting a usable PPG from the wrist is difficult, but the fingertip is pretty good), and the stacked structure affects mechanical stability. Power distribution and wiring also become more complex when several boards are connected.
This version is built on perfboard, which limits compactness, but makes it easier to iterate quickly.
Open-SourceThe long-term goal is to make this platform open and extensible, so new modules can be designed and shared easily.
By defining a consistent interconnect and form factor, it could grow into a small ecosystem of compatible wearable modules.
Next StepsNext steps include:
- Designing custom PCBs for better integration
- Improving mechanical robustness
- Adding a dedicated battery module
- Expanding the range of sensors
The idea is to move from a rough prototype to something that can be reused across different projects.












_3u05Tpwasz.png?auto=compress%2Cformat&w=40&h=40&fit=fillmax&bg=fff&dpr=2)


Comments