This year, I started university as an electronics engineering student, and I wanted to create something special for my family for Christmas. When I saw that Hackster had announced its annual Junk Drawer Competition, I knew I wanted to build something using electronics. So I looked at the themes this year, considered what I've learned this semester in Uni, and looked at my components collection. I thought I could make a PCB Christmas card.
The prototypeSo first of all, I made a prototype on the breadboard. I wanted to make a little Christmas tree with lights. 5 yellow LEDs would be stationary, 5 red and 5 green LEDs would be flashing. For the flashing, I built a multivibrator circuit, which I learned in Uniπ So I experimented a lot with different capacitor and resistor values so that the leds would be the brightest and have the nicest fade + cycle time.
I wanted to add more features to make it not only pretty but also smart, so from the competition's bio, I got the idea that the circuit could sense environmental data and react to it. I didn't want to add any microcontrollers, so that this project stays inexpensive and doesn't draw much current. So I thought that :
- It should have a photoresistor, so that when the card is in a bright room, the leds are set to 100% and when it's in a darker place, its brightness is lower. So that it adapts to its environment and lasts longer on batteries.
- It should have some sort of presence detection, so that it stays on only while someone is near or looking at it. For this, I thought of quite a lot of methods. I wanted to add n pir sensor, but it wouldn't look nice and would take too much space. So after some research, I found an amazing alternative. An RCWL-0516 Doppler Radar Sensor. It's inexpensive and perfect for this project.
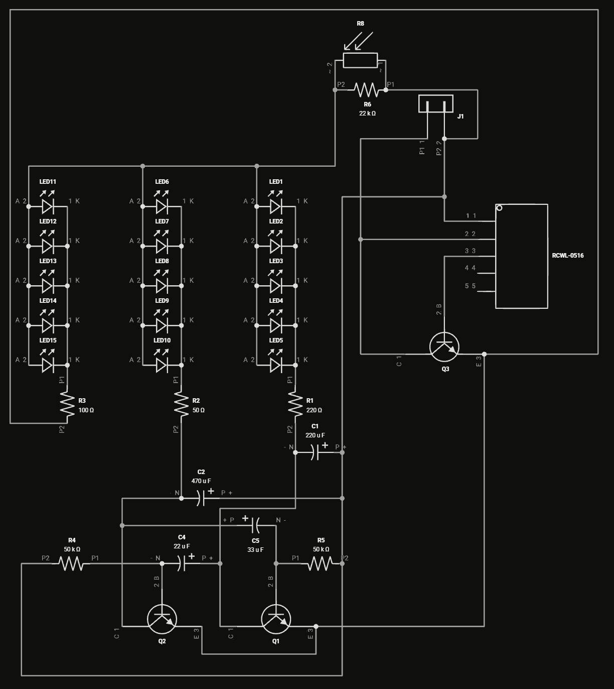
First, I made an electronic schematic for all the components :
So the lights are in 3 groups : the ones that flash and the ones that stay on. Leds 1 to 5 are the red leds, leds 6 to 10 are the green leds, and leds 11 to 15 are yellow. The J1 connector is the main 3v in. P1 is the negative terminal, and P2 is the positive. For the RCWL-0516 connector, the connection 1 is 3v3, 2 is GND, 3 is OUT.I
So for the PCB I went with a 100x100 mm pcb, because rn jlcpcb has a nice offer for them :) Also, I added some Christmas silhouettes and cute drawings as silckscreen :
Down below, I've added the big pcb zip file. You have to go to any pcb production website and upload it. Here's the settings I used for jlcpcb :
Usually they have a lot of colors, but I like black the most. You may choose any :
The Doppler Radar Sensor Module - RCWL-0516 is a doppler radar microwave sensor module for detecting moving objects. This can act as an alternative to Passive Infrared (PIR) motion sensing. The RCWL-0516 sensor detects "any movement" from "any object" and does not rely on heat, making it more reliable in hot environments.
Unlike the PIR sensor, this is an active sensor. Active sensors send out a pulse of energy and detect the changes in the return signal, while passive sensors detect energy emitted or reflected from an object.
It's perfect for this project, because it can not only sense if a person is in the room moving, but also, if you point your card to the window as a decoration for others to see, it will also trigger for people going or cars driving by your window! Because it can reach through different materials.
One thing, before soldering this chip onto the pcb. It needs to have a capacitor soldered to the R-TM terminal, so that when it's triggered, it stays on for some time. Here's some values and times :
- 0.47 Β΅F ~ 8β10 s
- 1 Β΅F ~ 15β20 s
- 4.7 Β΅F ~ 1β2 min
- 10 Β΅F ~ 3β5 min ( I went with this one )
I also wanted to add some cute little 3D figures for it to look nicer. First of all, I made a base for the battery holder and to hold the pcb at a 30Β° angle :
Also, I made some parts on the corners, for it not to be as sharp and look cooler :
I also made one corner (top left) to have a Santa :)
Looking at the power consumption, I calculated that this pcb on a full charge can stay on for about 140β180 hours, which is roughly 6 β 7.5 days of continuous operation.
ConclusionHere is a gif of mine (It's a bit simpler and in Latvian for my familyπ)
Some images
If you have any questions or problems, write a comment on this post, and I will do my best to help you out! :)
Merry Christmas and have a Happy New Year, everyone! π πβοΈ
































_3u05Tpwasz.png?auto=compress%2Cformat&w=40&h=40&fit=fillmax&bg=fff&dpr=2)
Comments