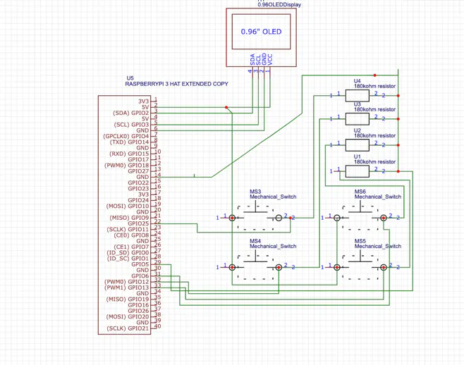
Building the Shield:Materials:
Read more4x 10 Ohm Resistors.
4x Mechanical keyboard switches.
1x Raspberry Pi 3B
40x Generic pins. (Skip this part if your board has pins)
1x OLED Display
Steps:1- Solder the resistors to the resistor sockets located on the sides of the shield
2- Solder the Switches to the sockets
3- Solder the OLED Display to the socket.
4- Program the board.
If you want to order the board or download the Gerber, feel free to visit the project on pcbway.com
1 / 3





Comments