balli2000in
Published © GPL3+

Radix Master v1.1 — STM32 STEM Console

Where every switch flip is a lesson.

AdvancedFull instructions provided2 hours294
Radix Master v1.1 — STM32 STEM Console

Things used in this project

Hardware components

MapleTree Mini - STM32duino STM32F103RB Compatible with Leaf Maple
MapleTree Mini - STM32duino STM32F103RB Compatible with Leaf Maple
×1
TM1637 4-Digit Display
×2
20x4 I2C LCD
×1
EC11 Rotary Encoder with Switch
×1
Panel Mount DPDT Switchs(ON ON)
×8
Buzzer
Buzzer
×1
32.768 kHz Crystal
32.768 kHz Crystal
×1
Coin Cell Battery CR2032
Coin Cell Battery CR2032
×1

Software apps and online services

Arduino IDE
Arduino IDE
Solid Edge 2025 Community Edition

Hand tools and fabrication machines

Soldering Iron Kit, Metcal Advanced™
Soldering Iron Kit, Metcal Advanced™
Solder Wire, Lead Free
Solder Wire, Lead Free
Wire Stripper & Cutter, 18-10 AWG / 0.75-4mm² Capacity Wires
Wire Stripper & Cutter, 18-10 AWG / 0.75-4mm² Capacity Wires

Story

Read more

Custom parts and enclosures

3D Encloser Files

3D Design in Solid Edge 2025 Community Edition

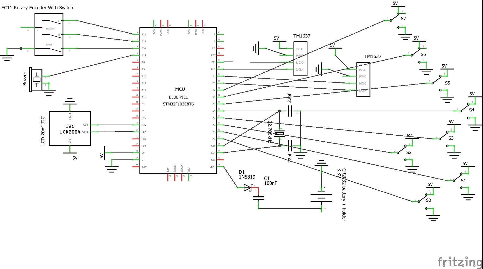
Schematics

circuit diagram

Code

RadixConsole.ino

C/C++
Use Arduino IDE for Compilation
#include <Wire.h>
#include <LiquidCrystal_I2C.h>
#include <STM32RTC.h>
#include <TM1637Display.h>

// ================= PINS =================
#define CLK_LEFT   PB10
#define DIO_LEFT   PB11
#define CLK_RIGHT  PB0
#define DIO_RIGHT  PB1
#define ENC_A      PB13
#define ENC_B      PB12
#define ENC_SW     PB14
#define BUZZER     PA15

// ================= BINARY BLITZ VARS =================
int blitzTarget = 0;
int blitzScore = 0;
unsigned long blitzStartTime = 0;
const int blitzTimeLimit = 30; 

const int switchPins[8] = {PA0, PA1, PA2, PA3, PA4, PA5, PA6, PA7}; 


// ================= RADIX ROULETTE VARS =================
int rouletteTarget = 0;
int rouletteScore = 0;
uint8_t currentBase = 10; // 10 = Dec, 16 = Hex, 2 = Binary
unsigned long rouletteStartTime = 0;
const int rouletteTimeLimit = 20; // Faster than Blitz!


// ================= GLOBAL GAME VARIABLES =================
int activeGame = -1;       // Tracks which game is running
int scoreVal = 0;          // Shared score variable
int targetVal = 0;         // Shared target variable
unsigned long gameStartTime = 0; 

// --- BIT RUNNER SPECIFIC ---
//uint8_t runnerPos = 0;     // Current position of the bit
//int moveDelay = 800;       // Speed of movement
//unsigned
 //long lastMove = 0;
 uint8_t runnerPos = 0;      // Current position (0 to 7)
unsigned long lastMove = 0; // Timing tracker
int moveDelay = 800;        // Start speed (ms)


// --- FULL BINARY ARITHMETIC ---
int numA = 0;
int numB = 0;
char currentOp = '+';
int arithmeticTarget = 0;
uint8_t opType = 0; // 0=Add, 1=Sub, 2=Mul, 3=Div


// --- PRIME HUNTER V2 VARS ---
int hunterNumbers[8];
byte primeMask = 0;       // Each bit represents if the corresponding number is prime
bool rowCleared = false;



// Bitwise Game Variables
byte valA = 0;
byte valB = 0;
byte bitwiseTarget = 0;
char currentBitOpName[4] = "   ";

void lcdPrintBinary(byte val); // Just the name, no brackets/logic





// ================= OBJECTS =================
TM1637Display tmScore(CLK_LEFT, DIO_LEFT);
TM1637Display tmTimer(CLK_RIGHT, DIO_RIGHT);
LiquidCrystal_I2C lcd(0x27, 20, 4);
STM32RTC& rtc = STM32RTC::getInstance();

// ================= MENU DEFINITIONS =================
// Use const char* const to ensure these stay in Flash
const char* const mainMenu[] = {
  "Binary Blitz", "Radix Roulette", "Bit Runner", "Binary Arithmetic",
  "Bitwise Logic", "Prime Hunter", "Morse Trainer", "Electron Shells",
  "Periodic Table", "Codon Explorer", "Gene Expression", "Blood Match",
  "Self Test", "RTC Setup", "Return"
};
#define MENU_COUNT 15

enum UIState { STATE_DASHBOARD, STATE_MENU, STATE_RTC_SETUP, STATE_SELF_TEST, STATE_GAME_RUNNING };
UIState uiState = STATE_DASHBOARD;

// ================= GLOBAL VARIABLES =================
int menuIndex = 0;
int menuTopIndex = 0;
bool lastEncA;
unsigned long buttonPressStart = 0;
bool buttonHeld = false;

int selfCounter = 0;
bool selfLastA;
int editDay, editMonth, editYear, editHour, editMinute, editField;


// Morse Trainer Variables
char morseTarget;
String userMorseBuffer = "";
unsigned long pressStart = 0;
bool isKeyActive = false;

// Morse Reference Table
const char* morseTable[] = {
  ".-", "-...", "-.-.", "-..", ".", "..-.", "--.", "....", "..", ".---", 
  "-.-", ".-..", "--", "-.", "---", ".--.", "--.-", ".-.", "...", "-", 
  "..-", "...-", ".--", "-..-", "-.--", "--.."
};

void nextMorseLetter() {
  morseTarget = 'A' + random(0, 26);
  userMorseBuffer = "";
}


// --- ELECTRON SHELLS & PERIODIC TABLE VARS ---
int targetAtomicNum = 0;
String elementName = "";
int requiredValence = 0;
int currentZ = 1;

// Element Names for Case 7 (L-Shell focus)
const char* const shellElements[] = {
  "Lithium", "Beryllium", "Boron", "Carbon", 
  "Nitrogen", "Oxygen", "Fluorine", "Neon"
};

// Valence electrons for all 118 elements (for Case 8)
const uint8_t valenceTable[118] = {
  1, 2,                                                             // H, He
  1, 2, 3, 4, 5, 6, 7, 8,                                           // Li to Ne
  1, 2, 3, 4, 5, 6, 7, 8,                                           // Na to Ar
  1, 2, 2, 2, 2, 2, 2, 2, 2, 2, 3, 4, 5, 6, 7, 8,                   // K to Kr
  1, 2, 2, 2, 2, 2, 2, 2, 2, 2, 3, 4, 5, 6, 7, 8,                   // Rb to Xe
  1, 2, 2, 2, 2, 2, 2, 2, 2, 2, 2, 2, 2, 2, 2, 2, 2, 2, 2, 2, 2, 2, 2, 2, 2, 3, 4, 5, 6, 7, 8,
  1, 2, 2, 2, 2, 2, 2, 2, 2, 2, 2, 2, 2, 2, 2, 2, 2, 2, 2, 2, 2, 2, 2, 2, 2, 3, 4, 5, 6, 7, 8 
};





// --- Global Declarations ---
// --- CODON EXPLORER GLOBALS ---
String targetAmino = "";
String targetCodon = "";

struct CodonData {
  char amino[12];
  char codon[4];
};

// Gamification: Focus on the "Vital" codons
const CodonData geneticLibrary[] = {
  {"START/MET", "AUG"}, {"STOP", "UAA"}, {"GLYCINE", "GGG"},
  {"VALINE", "GUU"}, {"ALANINE", "GCU"}, {"LYSINE", "AAA"},
  {"STOP/AMB", "UAG"}, {"CYSTEINE", "UGU"}
};



// --- GENE EXPRESSION GLOBALS ---
String targetPhenotype = "";
byte regulatoryMask = 0;

struct GeneData {
  char phenotype[16];
  byte mask; // The required switch pattern
};

const GeneData geneLibrary[] = {
  {"Blue Eyes",    0b10101010},
  {"Build Muscle", 0b11110000},
  {"Fast Metabolism", 0b00001111},
  {"Glow in Dark", 0b10011001},
  {"High Immunity", 0b01010101},
  {"Brain Power",  0b11001100}
};



// --- BLOOD MATCH GLOBALS ---
String patientType = "";
byte donorTargetMask = 0;

struct BloodData {
  char typeName[5];
  byte mask; // S0=A, S1=B, S2=Rh
};

const BloodData bloodLibrary[] = {
  {"A+",  0b101}, {"A-",  0b001},
  {"B+",  0b110}, {"B-",  0b010},
  {"AB+", 0b111}, {"AB-", 0b011},
  {"O+",  0b100}, {"O-",  0b000}
};










void nextElectronProblem() {
  int idx = random(0, 8); 
  elementName = shellElements[idx];
  requiredValence = idx + 1; 
  targetAtomicNum = idx + 3; // Li starts at Z=3
}

void nextElementProblem() {
  currentZ = random(1, 119);
}


void showElectronFinalScore() {
  lcd.clear();
  digitalWrite(BUZZER, HIGH); delay(500); digitalWrite(BUZZER, LOW);
  lcd.setCursor(2, 1); lcd.print(F("SHELLS FINISHED!"));
  lcd.setCursor(4, 2); lcd.print(F("SCORE: ")); lcd.print(scoreVal);
  tmScore.showNumberDec(scoreVal);
  delay(5000); 
  uiState = STATE_MENU; showMenu();
}

void showPeriodicFinalScore() {
  lcd.clear();
  digitalWrite(BUZZER, HIGH); delay(500); digitalWrite(BUZZER, LOW);
  lcd.setCursor(1, 1); lcd.print(F("PERIODIC OVER!"));
  lcd.setCursor(4, 2); lcd.print(F("SCORE: ")); lcd.print(scoreVal);
  tmScore.showNumberDec(scoreVal);
  delay(5000);
  uiState = STATE_MENU; showMenu();
}











// ================= HELPERS =================
void print2digit(int val) { 
  if (val < 10) lcd.print('0'); 
  lcd.print(val); 
}

// ================= DISPATCHER =================
void executeMenuAction(int index) {
  lcd.clear();
  switch(index) {
    case 0:  startBinaryBlitz(); break;
    case 1: startRadixRoulette(); break; // <-- NEW
    case 2: // Bit Runner
      uiState = STATE_GAME_RUNNING;
      activeGame = 2;
      scoreVal = 0;
      runnerPos = 0;
      moveDelay = 800; // Reset to slow speed
      gameStartTime = millis();
      lcd.clear();
      lcd.print(F("--- BIT RUNNER ---"));
      break;

   case 3: // Binary Arithmetic
  uiState = STATE_GAME_RUNNING;
  activeGame = 3;
  scoreVal = 0;
  gameStartTime = millis();
  nextBinaryArithmeticProblem(); // <--- CRITICAL: Generates first A and B
  lcd.clear();
  break;

case 4: // Bitwise Logic Entry
  lcd.clear();
  lcd.setCursor(0, 0);
  lcd.print(F("---BITWISE LOGIC---"));
  lcd.setCursor(0, 2);
  lcd.print(F("RESET ALL SWITCHES"));
  
  // Wait until all switches are toggled to 0
  while(readSwitches() != 0) {
    delay(50);
  }

  scoreVal = 0;
  nextBitwiseProblem();
  gameStartTime = millis(); // 60s Timer starts only after reset
  uiState = STATE_GAME_RUNNING;
  activeGame = 4; 
  lcd.clear();
  break;


case 5: // Prime Hunter Entry
  lcd.clear();
  lcd.setCursor(0, 0);
  lcd.print(F("---PRIME HUNTER---"));
  lcd.setCursor(0, 2);
  lcd.print(F("RESET ALL SWITCHES"));
  lcd.setCursor(0, 3);
  lcd.print(F("TO START CLOCK..."));

  // The "Ready" Gate
  while(readSwitches() != 0) {
    delay(50); 
  }

  // Initialize after reset
  scoreVal = 0;
  nextPrimeRow();
  gameStartTime = millis(); // Timer starts NOW
  uiState = STATE_GAME_RUNNING;
  activeGame = 5;
  lcd.clear();
  break;

case 6: // Morse Trainer Entry
  lcd.clear();
  lcd.print(F("MORSE TRAINER"));
  lcd.setCursor(0, 2);
  lcd.print(F("RESET ALL SWITCHES"));
  
  while(readSwitches() != 0) { delay(10); } // Reset Gate

  scoreVal = 0;
  nextMorseLetter();
  gameStartTime = millis();
  activeGame = 6;
  uiState = STATE_GAME_RUNNING;
  lcd.clear();
  break;



case 7: // Electron Shells Menu Selection
  lcd.clear();
  lcd.setCursor(0, 0);
  lcd.print(F("---ELECTRON SHELL---"));
  lcd.setCursor(0, 2);
  lcd.print(F("RESET ALL SWITCHES"));
  
  // Wait for safety reset
  while(readSwitches() != 0) { delay(10); }

  scoreVal = 0;
  nextElectronProblem();     // Pick first element
  gameStartTime = millis();  // Start timer
  activeGame = 7;            // Set ID to 7
  uiState = STATE_GAME_RUNNING;
  lcd.clear();
  break;









case 8: // Periodic Table Game Entry
  lcd.clear();
  lcd.print(F("PERIODIC TABLE"));
  lcd.setCursor(0, 2);
  lcd.print(F("RESET ALL SWITCHES"));
  
  while(readSwitches() != 0) { delay(10); } // Wait for 00000000

  scoreVal = 0;
  currentZ = random(1, 119); // Pick random Z from 1 to 118
  gameStartTime = millis();
  activeGame = 8;            // Assign unique ID
  uiState = STATE_GAME_RUNNING;
  lcd.clear();
  break;


case 9: // Codon Explorer
  lcd.clear();
  lcd.print(F("CODON EXPLORER"));
  while(readSwitches() != 0) { delay(10); } // Gamification: Clear the deck
  scoreVal = 0;
  nextCodonProblem();
  gameStartTime = millis();
  activeGame = 9;
  uiState = STATE_GAME_RUNNING;
  lcd.clear();
  break;


case 10: // Gene Expression Entry
  lcd.clear();
  lcd.print(F("EXPRESS:"));  // Static Label Row 0
  lcd.setCursor(0, 1);
  lcd.print(F(" GENOME:"));   // Static Label Row 1
  lcd.setCursor(0, 3);
  lcd.print(F("SEEKING HOMEOSTASIS")); // Static Label Row 3
  
  scoreVal = 0;
  nextGeneProblem();
  gameStartTime = millis();
  activeGame = 10;
  uiState = STATE_GAME_RUNNING;
  break;



case 11: // Blood Match Entry
  lcd.clear();
  lcd.setCursor(0, 0); lcd.print(F("PATIENT : "));
  lcd.setCursor(0, 1); lcd.print(F("DONOR   : "));
  lcd.setCursor(0, 3); lcd.print(F("S0=A S1=B S2=Rh")); // Tutorial Row
  
  scoreVal = 0;
  nextBloodProblem();
  gameStartTime = millis();
  activeGame = 11;
  uiState = STATE_GAME_RUNNING;
  break;





    case 12: startSelfTest();    break;
    case 13: uiState = STATE_RTC_SETUP; enterRTCSetup(); break;
    case 14: uiState = STATE_DASHBOARD; showDashboard(); break;
    default:
      lcd.setCursor(0,1); lcd.print(F("Starting..."));
      lcd.setCursor(0,2); lcd.print(mainMenu[index]);
      delay(1000);
      break;
  }
}

// ================= GAME LOGIC =================
void runBinaryBlitz() {
  int remaining = blitzTimeLimit - ((millis() - blitzStartTime) / 1000);
  if (remaining <= 0) {
    digitalWrite(BUZZER, HIGH); delay(500); digitalWrite(BUZZER, LOW);
    lcd.clear();
    lcd.setCursor(5, 1); lcd.print(F("GAME OVER!"));
    lcd.setCursor(4, 2); lcd.print(F("Score: ")); lcd.print(blitzScore);
    delay(3000);
    uiState = STATE_MENU; showMenu();
    return;
  }

  tmTimer.showNumberDec(remaining);
  tmScore.showNumberDec(blitzScore);

  byte playerInput = 0;
  for (int i = 0; i < 8; i++) if (digitalRead(switchPins[i]) == LOW) playerInput |= (1 << i);

  lcd.setCursor(0, 1); lcd.print(F("TARGET: ")); lcd.print(blitzTarget); lcd.print(F("    "));
  lcd.setCursor(0, 2); lcd.print(F("YOURS : ")); lcd.print(playerInput); lcd.print(F("    "));

  if (playerInput == blitzTarget) {
    digitalWrite(BUZZER, HIGH); delay(100); digitalWrite(BUZZER, LOW);
    blitzScore += 10;
    blitzTarget = random(1, 255);
    blitzStartTime = millis();
    lcd.setCursor(0, 3); lcd.print(F("CORRECT! NEXT...   "));
    delay(500);
    lcd.setCursor(0, 3); lcd.print(F("                   "));
  }
}

void startBinaryBlitz() {
  uiState = STATE_GAME_RUNNING;
  blitzScore = 0;
  blitzTarget = random(1, 255);
  blitzStartTime = millis();
  lcd.clear();
  lcd.print(F("--- BINARY BLITZ ---"));
  tmScore.clear();
}

// ================= RADIX ROULETTE  =================
void startRadixRoulette() {
  uiState = STATE_GAME_RUNNING;
  rouletteScore = 0;
  rouletteTarget = random(1, 255);
  currentBase = 10; // Start with Decimal
  rouletteStartTime = millis();
  
  lcd.clear();
  lcd.print(F("--- RADIX ROULETTE ---"));
  tmScore.clear();
}

void runRadixRoulette() {
  int remaining = rouletteTimeLimit - ((millis() - rouletteStartTime) / 1000);

  if (remaining <= 0) {
    digitalWrite(BUZZER, HIGH); delay(500); digitalWrite(BUZZER, LOW);
    lcd.clear();
    lcd.setCursor(4, 1); lcd.print(F("ROULETTE OVER"));
    lcd.setCursor(4, 2); lcd.print(F("Score: ")); lcd.print(rouletteScore);
    delay(3000);
    uiState = STATE_MENU; showMenu();
    return;
  }

  tmTimer.showNumberDec(remaining);
  tmScore.showNumberDec(rouletteScore);

  // Read switches
  byte playerInput = 0;
  for (int i = 0; i < 8; i++) if (digitalRead(switchPins[i]) == LOW) playerInput |= (1 << i);

  // Display Target based on current base
  lcd.setCursor(0, 1);
  if (currentBase == 10) {
    lcd.print(F("DEC TARGET: ")); lcd.print(rouletteTarget); 
  } else if (currentBase == 16) {
    lcd.print(F("HEX TARGET: 0x")); lcd.print(rouletteTarget, HEX);
  } else {
    lcd.print(F("BIN TARGET: ")); lcd.print(rouletteTarget, BIN);
  }
  lcd.print(F("    ")); // Clear trailing characters

  lcd.setCursor(0, 2);
  lcd.print(F("YOUR INPUT: ")); lcd.print(playerInput); lcd.print(F("    "));

  // Check Success
  if (playerInput == rouletteTarget) {
    digitalWrite(BUZZER, HIGH); delay(80); digitalWrite(BUZZER, LOW);
    rouletteScore += 15; // Higher reward for Radix
    rouletteTarget = random(1, 255);
    
    // Pick a new random base for the next round
    int r = random(0, 3);
    if (r == 0) currentBase = 10;
    else if (r == 1) currentBase = 16;
    else currentBase = 2;

    rouletteStartTime = millis(); // Reset timer
    lcd.setCursor(0, 3); lcd.print(F("GREAT! CHANGING... "));
    delay(600);
    lcd.setCursor(0, 3); lcd.print(F("                   "));
  }
}

// --- BIT RUNNER VARIABLES ---



byte readSwitches() {
  byte val = 0;
  for (int i = 0; i < 8; i++) {
    if (digitalRead(switchPins[i]) == LOW) val |= (1 << i);
  }
  return val;
}
void runBitRunner() {
  // 1. Timer Logic
  int remaining = 30 - ((millis() - gameStartTime) / 1000);
  if (remaining <= 0) {
    digitalWrite(BUZZER, HIGH); delay(500); digitalWrite(BUZZER, LOW);
    lcd.clear(); lcd.print(F("Runner Finished!"));
    lcd.setCursor(0, 2); lcd.print(F("Final Score: ")); lcd.print(scoreVal);
    delay(3000); uiState = STATE_MENU; showMenu(); return;
  }

  // 2. Display Updates
  tmTimer.showNumberDec(remaining);
  tmScore.showNumberDec(scoreVal);

  // 3. The Movement Logic
  if (millis() - lastMove > moveDelay) {
    lastMove = millis();
    runnerPos = (runnerPos + 1) % 8; // Move to next bit
    targetVal = (1 << runnerPos);    // Update the target bit value
    
    // Increase difficulty: speed up slightly every move
    if (moveDelay > 200) moveDelay -= 5; 
  }

  // 4. LCD Feedback
  lcd.setCursor(0, 1);
  lcd.print(F("CATCH BIT: "));
  // Show the bit position visually
  for(int i=7; i>=0; i--) {
    lcd.print(i == runnerPos ? '1' : '0');
  }

  lcd.setCursor(0, 2);
  byte input = readSwitches();
  lcd.print(F("YOUR POS:  "));
  for(int i=7; i>=0; i--) {
    lcd.print(bitRead(input, i) ? '1' : '0');
  }

  // 5. Scoring
  if (input == targetVal) {
    // We don't use a long delay here so the bit keeps moving
    scoreVal += 1; // Constant scoring for staying on the bit
    digitalWrite(BUZZER, (millis() % 200 < 50)); // Tiny blip when matched
  } else {
    digitalWrite(BUZZER, LOW);
  }
}


///////////////////////////////////
//////////////////////////////////////
////////////////////////////////////////
void lcdPrintBinary(byte val) {
  for (int i = 7; i >= 0; i--) {
    lcd.print(bitRead(val, i));
  }
}





void nextBinaryArithmeticProblem() {
  opType = random(0, 4); 

  switch (opType) {
    case 0: // ADDITION (A + B <= 255)
      numA = random(1, 150);
      numB = random(1, (255 - numA));
      currentOp = '+';
      arithmeticTarget = numA + numB;
      break;

    case 1: // SUBTRACTION (A >= B)
      numA = random(50, 255);
      numB = random(1, numA);
      currentOp = '-';
      arithmeticTarget = numA - numB;
      break;

    case 2: // MULTIPLICATION (Small operands)
      numA = random(2, 16); 
      numB = random(2, (255 / numA)); 
      currentOp = '*';
      arithmeticTarget = numA * numB;
      break;

    case 3: // DIVISION (Clean division)
      numB = random(2, 12); 
      arithmeticTarget = random(1, (255 / numB));
      numA = arithmeticTarget * numB; 
      currentOp = '/';
      break;
  }
}




void runBinaryArithmetic() {
  // 1. Timer Logic
  int remaining = 60 - ((millis() - gameStartTime) / 1000);
  if (remaining <= 0) {
    uiState = STATE_MENU; showMenu(); return;
  }

  tmTimer.showNumberDec(remaining);
  tmScore.showNumberDec(scoreVal);

  // 2. DRAW THE SCREEN (Do not use lcd.clear() here!)
  lcd.setCursor(0, 0);
  lcd.print(F("A: ")); lcdPrintBinary(numA);
  
  lcd.setCursor(0, 1);
  lcd.print(currentOp); lcd.print(F(": ")); lcdPrintBinary(numB);

  // 3. READ INPUT
  byte input = readSwitches();
  lcd.setCursor(0, 2);
  lcd.print(F("IN:")); lcdPrintBinary(input);
  lcd.print(F(" val:")); lcd.print(input);
  lcd.print(F("  ")); // Clear ghost numbers

  // 4. CHECK WIN
  if (input == arithmeticTarget) {
    digitalWrite(BUZZER, HIGH); delay(100); digitalWrite(BUZZER, LOW);
    scoreVal += 50;
    nextBinaryArithmeticProblem();
    lcd.clear(); // Clear once only when problem changes
  }
}



//===========================================================
//=============================================================
void nextPrimeRow() {
  primeMask = 0;
  for (int i = 0; i < 8; i++) {
    hunterNumbers[i] = random(2, 100); // Random numbers 2-99
    if (checkPrime(hunterNumbers[i])) {
      bitSet(primeMask, i); // Set the bit if it's prime
    }
  }
  // If a row has NO primes by luck, regenerate it
  if (primeMask == 0) nextPrimeRow(); 
}




void runPrimeHunter() {
  lcd.noCursor(); // Kills the blink on S0
  lcd.noBlink();  // Kills the blink on S0
  
  int remaining = 60 - ((millis() - gameStartTime) / 1000);
  if (remaining <= 0) {
    showPrimeFinalScore(); 
    return;
  }

  tmTimer.showNumberDec(remaining);
  tmScore.showNumberDec(scoreVal);

  // --- ROW 0: THE NUMBERS ---
  lcd.setCursor(0, 0); 
  for (int i = 7; i >= 0; i--) {
    if (hunterNumbers[i] < 10) lcd.print('0'); 
    lcd.print(hunterNumbers[i]);
    lcd.print(F(" ")); 
  }

  // --- ROW 1: P/C LABELS ---
  byte input = readSwitches();
  lcd.setCursor(0, 1);
  for (int i = 7; i >= 0; i--) {
    lcd.print(bitRead(input, i) ? F("P  ") : F("C  "));
  }

// --- ROW 3: STATUS MESSAGE (Row index 3, Column index 4) ---
  lcd.setCursor(4, 3); // 5th Column, 4th Row
  if (input == primeMask) {
    digitalWrite(BUZZER, HIGH); delay(200); digitalWrite(BUZZER, LOW);
    scoreVal += 80;
    
    // Clear the specific row 3 area and show match
    lcd.setCursor(0, 3); 
    lcd.print(F(" MATCH! RESET ALL   ")); 
    
    while(readSwitches() != 0) { delay(10); } // Wait for reset
    nextPrimeRow();
    lcd.clear(); // Clear all to prevent overlap on next round
  } else {
    // Print starting at the 5th column
    lcd.print(F("MAP THE PRIMES   ")); // Spaces at end clear any old "MATCH" text
  }




}



void showPrimeFinalScore() {
  lcd.clear();
  digitalWrite(BUZZER, HIGH); delay(1000); digitalWrite(BUZZER, LOW);
  
  // Clean Final Display
  lcd.setCursor(0, 1);
  lcd.print(F("    TIME EXPIRED    "));
  lcd.setCursor(0, 2);
  lcd.print(F("   FINAL SCORE:"));
  lcd.print(scoreVal);
  
  delay(5000); // 5 seconds to read
  uiState = STATE_MENU;
  showMenu();
}



bool checkPrime(int n) {
  if (n <= 1) return false;
  for (int i = 2; i * i <= n; i++) {
    if (n % i == 0) return false;
  }
  return true;
}

//===========================================================
//===========================================================
// Global variables for Bitwise Logic
void nextBitwiseProblem() {
  valA = random(0, 255);
  valB = random(0, 255);
  int op = random(0, 7); // Increased range for 7 operators

  switch (op) {
    case 0: 
      strcpy(currentBitOpName, "AND"); 
      bitwiseTarget = valA & valB; 
      break;
    case 1: 
      strcpy(currentBitOpName, "OR "); 
      bitwiseTarget = valA | valB; 
      break;
    case 2: 
      strcpy(currentBitOpName, "XOR"); 
      bitwiseTarget = valA ^ valB; 
      break;
    case 3: 
      strcpy(currentBitOpName, "NAN"); // NAND
      bitwiseTarget = ~(valA & valB); 
      break;
    case 4: 
      strcpy(currentBitOpName, "NOR"); // NOR
      bitwiseTarget = ~(valA | valB); 
      break;
    case 5: 
      strcpy(currentBitOpName, "XNO"); // XNOR
      bitwiseTarget = ~(valA ^ valB); 
      break;
    case 6: 
      strcpy(currentBitOpName, "NOT"); // NOT (A only)
      bitwiseTarget = ~valA; 
      break;
  }
}


void nextBitwiseProblem1() {
  valA = random(0, 255);
  valB = random(0, 255);
  int op = random(0, 3); // 0=AND, 1=OR, 2=XOR

  if (op == 0) { 
    strcpy(currentBitOpName, "AND"); 
    bitwiseTarget = valA & valB; 
  } else if (op == 1) { 
    strcpy(currentBitOpName, "OR "); 
    bitwiseTarget = valA | valB; 
  } else { 
    strcpy(currentBitOpName, "XOR"); 
    bitwiseTarget = valA ^ valB; 
  }
}




void showBitwiseFinalScore() {
  lcd.clear();
  digitalWrite(BUZZER, HIGH); delay(500); digitalWrite(BUZZER, LOW);
  
  // Show final score on both LCD and TM1637
  lcd.setCursor(2, 1);
  lcd.print(F("LOGIC TIME OVER!"));
  lcd.setCursor(4, 2);
  lcd.print(F("SCORE: "));
  lcd.print(scoreVal);
  
  tmScore.showNumberDec(scoreVal);
  
  delay(5000); // 5 seconds to view result
  uiState = STATE_MENU;
  showMenu();
}

void runBitwiseGame() {
  lcd.noCursor(); 
  lcd.noBlink();

  // 1. Timer & TM1637 Update
  int remaining = 60 - ((millis() - gameStartTime) / 1000);
  if (remaining <= 0) {
    showBitwiseFinalScore(); 
    return;
  }

  tmTimer.showNumberDec(remaining);
  tmScore.showNumberDec(scoreVal);

  // 2. Aligned LCD Layout (Starts at Column 5 for vertical stacking)
  // Row 0: Variable A
  lcd.setCursor(0, 0);
  lcd.print(F("A:   ")); 
  lcd.setCursor(4, 0); // Jump to 5th column
  lcdPrintBinary(valA); 

  // Row 1: Operator and Variable B
  lcd.setCursor(0, 1);
  lcd.print(currentBitOpName); 
  lcd.print(F(":  ")); 
  lcd.setCursor(4, 1); // Jump to 5th column
  lcdPrintBinary(valB);

  // Row 2: Live Switch Input
  byte input = readSwitches();
  lcd.setCursor(0, 2);
  lcd.print(F("I:   ")); 
  lcd.setCursor(4, 2); // Jump to 5th column
  lcdPrintBinary(input);

  // 3. Match Logic & Reset Gate
  lcd.setCursor(0, 3);
  if (input == bitwiseTarget) {
    digitalWrite(BUZZER, HIGH); delay(200); digitalWrite(BUZZER, LOW);
    scoreVal += 100;
    
    // Using padding to clear "SOLVE LOGIC"
    lcd.print(F(" MATCH! RESET SW... "));
    
    // Wait for physical reset (All switches to 0)
    while(readSwitches() != 0) { 
      delay(10); 
    }
    
    nextBitwiseProblem();
    lcd.clear(); // Clear display for next problem
  } else {
    // Aligned status message
    lcd.setCursor(4, 3);
    lcd.print(F("SOLVE THE LOGIC "));
  }
}


//===========================================================
void showMorseFinalScore() {
  lcd.clear();
  digitalWrite(BUZZER, HIGH); delay(500); digitalWrite(BUZZER, LOW);
  
  lcd.setCursor(2, 1);
  lcd.print(F("MORSE TIME OVER!"));
  lcd.setCursor(4, 2);
  lcd.print(F("SCORE: "));
  lcd.print(scoreVal);
  
  tmScore.showNumberDec(scoreVal);
  
  delay(5000); 
  uiState = STATE_MENU;
  showMenu();
}




void runMorseTrainer() {
  lcd.noCursor();
  
  // 1. Timer Logic
  int remaining = 60 - ((millis() - gameStartTime) / 1000);
  if (remaining <= 0) {
    showMorseFinalScore(); 
    return;
  }

  tmTimer.showNumberDec(remaining);
  tmScore.showNumberDec(scoreVal);

  // 2. Display Layout
  lcd.setCursor(0, 0);
  lcd.print(F("TARGET: ")); lcd.print(morseTarget);
  lcd.setCursor(0, 1);
  lcd.print(F("GOAL  : ")); lcd.print(morseTable[morseTarget - 'A']);
  lcd.setCursor(0, 2);
  lcd.print(F("INPUT : ")); lcd.print(userMorseBuffer);
  lcd.print(F("    ")); // Clear trailing characters

  // 3. Telegraph Key Logic (S0)
  bool s0State = bitRead(readSwitches(), 0); 

  if (s0State) {
    if (!isKeyActive) {
      pressStart = millis();
      isKeyActive = true;
      digitalWrite(BUZZER, HIGH);
    }
    
    // LIVE PROGRESS BAR on Row 3
    unsigned long currentHold = millis() - pressStart;
    lcd.setCursor(0, 3);
    lcd.print(F("["));
    int bars = map(constrain(currentHold, 0, 300), 0, 300, 0, 10);
...

This file has been truncated, please download it to see its full contents.

Credits

balli2000in
4 projects • 0 followers

Comments