alainstas
Published © GPL3+

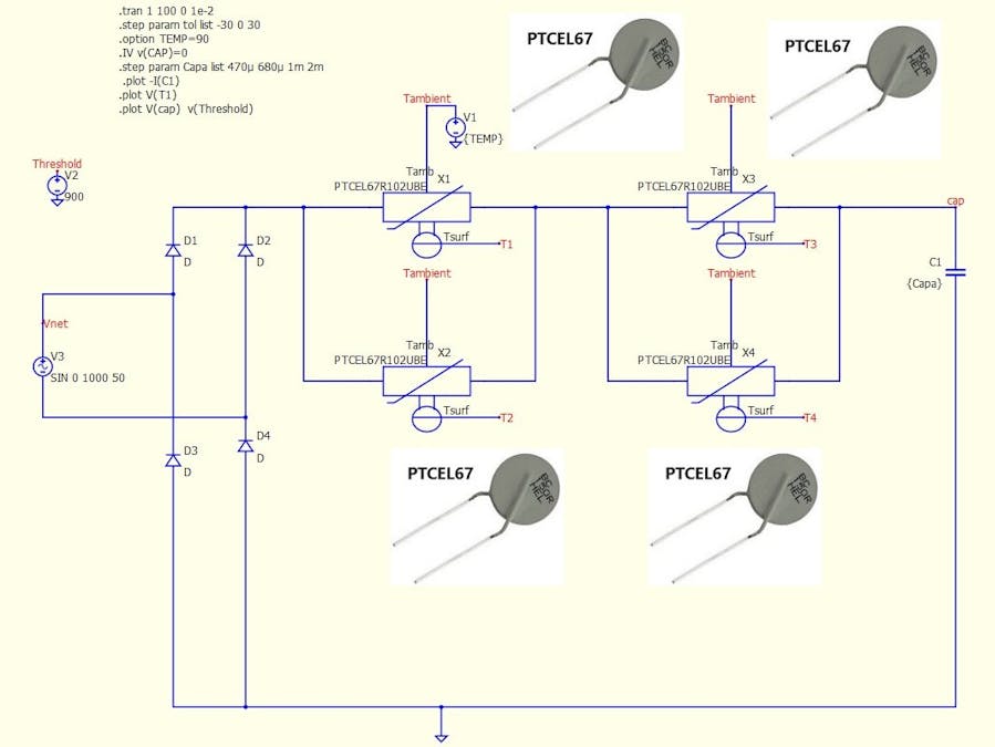
EV Battery Pre Charge Simulated in Qspice with PTC

A simulation of of capacitor precharge is offered in Qspice (for Qorvo) with a temperature protection PTCEL inrush current limiter network.

BeginnerProtip1 hour214
EV Battery Pre Charge Simulated in Qspice with PTC

Things used in this project

Hardware components

Vishay PTCEL67R102UBE
×1

Software apps and online services

Qspice

Story

Read more

Schematics

Pre-charge capacitor in Qspice

raw data of the zip simulation

Code

netlist for PTCEL67

Plain text
use it in QSPICE
.subckt PTCEL67series
.prot
,DRTDvUk3KZ00LSkuIt1MQjN7x6tcoBSGxKlEFChMdkdqcqvqDsFByX1CBIkzHV2g02hGEB1x4cP
Kkjr31QVwslr1HpyPAEg4yYCMQkodQiUIBsKreodBlpCy6ZRCb6sQ98Me7N4lbThzRz0YgDselQ,
E5Ct6mwOrU34LbauyWxJcbPb744E19,XbF2U&r,krLem1WoGMYqcA0XY,W149iupDtyHyS2cJhdy
sWxb9p7b6OBgEEBvYGEupaVbC0jHoxlGKWrGWpgbWlYUkFAo3lw8Qnb023c6aWXhNxTswhu9o3W7
oNts3D&otT3RYauG2WFFvtdfWSEqcND1bp50ckq4aDM&vtKD6gfNsaXFucJkVZPpyyyfnxlmS8eD
k2WOqaeMWZ1GkE87neEL&YQ4BijwpPejJr2dLKie89OMQC9zqzJPACzERz3oTTa67dPDiekGNC8G
MwWIVwZkFQgrIOBCtCz7yz58KAc5&CUCAuZ,Hx5GuYjew65tsu11plkr&iNpzeIGLGfP2RBi2k3X
e71X5Yh2uUMI&PlXcWmqGYD7CS226t8rD1A7j54e3xNvfxo5fdKfAOjfJ2Kuoqbox4mZOQREUU7o
ENA3RPDOhgMRBG6c8VVqDI0JqMmyywCBoy5AX6GGPskvbBCH9yZYtU6iuXK7Op22bHk4wTdvkMRP
2&SQV0WbMnIDBvwSSSRkiypD,COI3BJ8zFpTG7lU8V8cJIiprz0UNuxciCFzDPFOTtxG24L5,Dt8
9N9mU6k3vLKtrg3DGdoxcmLrrIth5oZ8eguokkCQPo8qdNAyaTeGo3CU&rTEcVzmjM6Uu7kLGAO5
OYYfVHm84hV4cPhO1klqX,2Ecgmm5pX0lYum29I2pvuyJD6hoL9oabFWtnzSM1e,WNao8jLrEqAe
q38SvmA7mId8UnXPVzJXBZQh34AtBIo1dtO3cBFj2YhzDCskNJFRIHF6h,4wCWGOIfP&tecrZc2G
4LNNAIxAUbw8OZi,6z4xguosu28lsRowk&8jreq550uephgZbJ7c3kdLweLosvcIqJryQk8pPzLD
NVwMjpEqRk7E9wrjrt3nYk1IsHX7SdjtlmGN01NEqPXTZ3JTY85k99kmJEwHDKHdK3OJtgdXhuPY
JeFaQ0OEeuOohPguexMdEdHVUDbwd3ZJX9185snZZigxvT7B5hG7HPqTkBm6oHpU9uiQBQYl3GzG
iXq9JLX33JX3fngkC,86uaaBGQP1v32V8rsgte7JP3RhOOAEESLwgKF2GEDUXXI8zY1EbiwN5,ip
muUeaL5nJDWsrm0zcAjCXGY2aLkHEm,UyiWGz6J&z9ut666loZhdGGe&,7i7AR8vd2JitimiO6me
S,TShlAm3amoEUaRwyyJrl,6z64aoS&991aAQwNM0OGEgGSP3wsYP,qJH8O4sL28uZvgzdlKXRTK
2I&LnWLgaQisQDLFA9WLZQ35&22f6K&sbnUCGQz4WI6CyDMTRrmlqmAP&gCeVL193K,nujJ4w2Hj
I8hEA9hFjMk6p2H6InYn4bU7K6CzBmmIwScEH8gsKUtJ&bFqKa1xCwLdbCOxPXnQi66lJRphXL82
e6CxW&NC4XOKTBQl4lLGQS5NYW5wVx&4NZBbo,c3IKipCR5ih3o0sUYMY93INT2M5J&SctBcJ7QO
gaX5he&3Y&bhSbU9umQ,D1MWetrYhRMQJQPaBgNwNL286,U,&mnqSo3QlwmcZs04TW9Hf5pOtp2Q
3Z114JM6&aqWZQOPhVACAFC0b7S7ijQR1so9w6pSLrGFnSarGxb&kOW9KskB5q2n8u3D4Rl9YLNK
XzGsqiY4VDDi374DCqs3pQG5qzgYA08ScThOWc,dRKU3LWCUTppfElNVgm1Icj2aBDlaDpbWLn6P
z5RbVEBcUMtU2mT&T37deyra8UT8kNBvc&PmJCNF4TINDHweNsBsHhgBtOnRgRd82zszpt6we07o
9Ov6cbb9gqpT6EBFXyK6N0t4k48O6vYrHOJnxqMFw7on6LHc7fwbzDaPklh3,xQuSJmolBbCWbH,
aINSkat7Jq4oT7zS58hoGB6sFsn7VKotHeRhhkN17GzwUpLA7meHIw4FB3dy4Kw57DmQ,t0QVtE2
rp3RBajA,2M4,MQrWqaFcdALZNcP,QgLuxb8zUYNcFd6s,gC7hITvWeoTMHpobtmNS9HsMFx4r2E
Is81xv3I1r2v1,O37RULlHZBsXBN3lTTouzjPtPjac0iq4kU,RploN34XvHqVSXCK7uTSB1D7pHx
3tSk&nAg74757OhidyB,2tUkoCDmHicTKS29JGeRdlgsaaeMtJ0jy,bWCzcosj&WVwN3c3IRZ5uK
cB5qOj7YZvW2wKKDPPnunWFg9MSF5fcaxddntlrpS2ti5sob1&DmRgp31PHRi4SXmfGwHqjySTse
kRKO&X7rsjtdNUYBiqd3bbyKpjnrOxXi25GyFB2Y3xyDSVEE7zWV5Jfw6HMcfOGZm2,AIlaebGXi
G5vHru1&Dz6g,XzIMR3U3Qp&pMIrMWlfOBbUzkjmiBIAtY,QPM3g6QiBguXV3ZLVwmZkbxPJKFsP
uVQ05R&sBrIIhOltoEIIMiWtQjvzfq9BqHd9L3XYv,Jr5NwBPOBoHdSB6cO3Tv2p2P32,tbpSX1w
UbQAV0USJeCk9SpMAjiwm5Y,SaGQNdCTX,uQhctEWactTgAXkrtYEm9WIA6xjiETeqAGOUtLtTDw
6k4r6gJk0&wczK0cJ0FBVUS51b36b5FEoZpf9rPZMMOE3DzEHDRuMv52QFI2,BJOSZnVEqTMf5nc
gS5&WbaJbBtVhR8wddHwlceitXzX9yC71HbuhshGJ,4IYisjA,2UPIlOcSQO0x1PIxcmJki,oG9s
TC8JUvzrIubhdeHqAZjzdfB&nUHvzHxgM8MQSGs66kk,mJe7wfMZojk7jlO2WFj9EYodOHWDXiu&
TAQrBjsL7A0gXFtRoX5dmRs,l1JtmMDheGsE76Qe3C6QaNRXRUk&DwtiicLhX4rrAcZTrHoe1BiB
J5cm9Nn2whs6GLkWvi7ynmtQ682TwaKugiUEdrkiH4O81ChxA8oOxRJYvOybYqbnzP&hBIYjb4H3
WGtWf39kXZYHWUpCyIQSPyyD6M&fkmtLm58UW&Ua3dBWBykEd0vphSO2ti6x61vu1JH7P9P1ZjKv
IIJm2GPE6b&rh&&AGqkpL4&5OvkjhKd&3Vaa2c98WpBxYcCKuCRHBIQh,DEaZ2S92Qj,Yf,CJnv1
Ay7fsHqOGhjO2wj&xvpRuGL,AjgYZqi7xKuYempcBj2UBh8UI5HXGas7&WcvqC26CnhFjxv5bNUQ
P1eXkziXRJbOSAT9,J1sZn3WCQ,YOlIonSiNhNLAlu1gN3sicRrYTtQW8ZI6Sh46TJfpW12GgBe6
1QZA4R1EVQghs6G3iK,SAYGVrcssvyr4X5B205ubooH&cYo7kfl3Y6C55V7JvoVA,&BHtY1VBTUA
UzQF0SzcMuI4,HbyZvRhtaJvPeP5ro0VlDfuwzRIu,02KtjJoqAgWpSCbO9ruVs8SIqxsC1e18y3
BVAwWVhenRwZpx4pnjxbXg8IkX,qmusUfAJO2eJFJEqjzZsTM29juYcx&Nj7f3tS00H9MT7HSJT5
V96QODz4pn4U70w&hjNuPvHMmsETlJr,Ct&4&bi7&k06FszEtqNSlXm0CNEaAc35,LXxGvHP5jy0
FFOH7CByntOROJBQGq7qkn3dJa4hbQNYVlJkObLA2UcvKyf1,S8mbn3CBBwn8v9tP7gUMilSe5zh
q4UFF&wIjyE5gh&Zw9PsuEF&53Od6LH8XQHpbR9BZNuD1ABCk1lpLk,Eek&3GYMuSejipBXkvX3o
uTGv9TkByvi5TtKpgDw5B2u4gwqdhz7ebCptp8DickwAPny53yCMcSUcI96,oKab1an9PLoU6FqB
gFN4PP9lTtMzAtQFpfE0fIGo5qnMTBRNUb9jKg8Mr&N4BA&CMm3xOpG5b21FiBGdeTPR34IvdtCg
Y7Mbb8FOF10rdTXkBm0sud1CHBi8ujhlfHGP1woFUtPakGdbs5vEO7Qblb2uSLM3bp4bxBIJOMVv
n6RKkOTgr0q,EOVxenvZcvg8O3TrZxrFr3p3SjVm4eJ1OHPl87kDWn&2einzSxnyAPz2nkEuviDY
p&zOYu8b,zcCWftzQHjRjqWKNddT,ZbNymWB56Xp2dB2hQE1lujAlRgCagp6RO8b7lCe8VGc92KL
ZbKU7DrWwhfwm8XEZPE0&zJgKZDOFTDEvmEQaUjZqU&xeV2078v,&f6,PgaeIkN37diKOSaKjCdb
fydzusqh6Z2pZtm2nCEmgQ5vd9YPJl12I55oVxoHebvD,SedOPf2Q,m,7YxsrRdS8RDQRFatVqma
IMaU,NllwNTUBbChgrYbz2qVX8r&3v,5OjSRxxhTQfhMkNavWW,jS5q7Gxv6upjcmlYncgOyccse
bgbicI9vQ4jPt,TrW4yMoiQsCwYry0Qs8NNaI80cTCFT6P47Hc9gvKuHqutwbCxQPbM7z,Ot5o9D
1C,bzp1Qt2P7NcZYhRYvjK&ptIx8&XjoD9S6xa4iSfsfXFsUJ31qF2uZ1G6SAqhuCtOvnpIKe7Ct
zJPkOJXZrU9Zo53uLugCoDcGh6U,LyP033uzYNHUG&b4ors1BQJDS2tRqqeo5IiK&ab7gvjEsTHK
dLNYKqeXclCADeCAMewlzqaliDcdk6xHAu3dXGVWwZjBxXonVEVykz7Sva1yEIR16A4SsRgKeq1f
9sB3qMwHJSFP03Eqkk,dk6daaJjrJqy7h,72RkkpyxDtQ6BGefWQ8jbChGvIY9tGlmQXu&b5ILP2
uy1indu214o2L8juA9NvTW02D3w76Ajzb5owbusgLaZ26NV8Q7NC2SIPLWOu2FWz1WABxLtS5t2n
aHpBlXx8I2ONTW3&Z67oqe8SQS3OKuLQdpEKUSenxEV4CRmS&eS9cJFIwdWJQh,vXEhzNIaI,aCM
qvL1Lj26dRhj4cLnH5S0r7oCFVyb9D7pQV90ztPRBTawvbboQ9&&KUu1w&eBNvr,BMdx12G8Q6ei
oXQg991iym8C9b&wRxA7fdPfnrFeVxcP0c0RvcOxj&YM3WWJkdlQNZZcmos2W3wMYd2ggC3WSw71
MUKaHXRmwR&6XIIS,tGfhtk3jRCckvQp4YTZugaqZ18wmW2p6M39nl2K2rm9sKGeSdLesfN8iD25
oUI8mHaV7938sIBuoDcJ5VdeWFZje07U6o05q7M4C88EMIofH2PGILLXoCFmub4AIPFCRJfuaBBA
PNUmOjOp6YZTrQRanzl41JJzwv3xdFmu7t6dZkh7s9YKUQ&k5brBqCgSgHVZXAp5hWrU7QIeNMgt
yvMvO5haUMDgfxcMnS8ivSzG9m3EeIH14sxk,JBAblasSFlAK5brUmvVbRCjFinEpbaqGiSLdNm9
JusFEHww5XdWsPOpwwyCrFH5xn93eY6OUBSg5TpesoSr2KCxN6Z6q4P5fryThhCHWxA9CPLj63uh
A,KWUw2fEO,DcVnyq1cSI3Oh,AhO7dEle&6qjLVieTXJKlptf&biNZkE1Eke&uNMo7yZtgAILdUk
fVpMXJm705KR5io3B9U27MArfVmjEgftNSD6ZbSh2,5CafPXr&4ZmHgK44w,TQn2ctd3tAbTb9W4
dkOJ2Gk,mfB3Whqz4ESqI&kIdBW,vL67FwyviPII,Jvbr4PHDZlBzUk52,qV28S,kqVLx57K5mfi
dcBIgnXVZ,GF8K6xgehGbVKurCJKBEf&5hpJqLCZZIoOMPYZF3Jl7XezZlGuqvKKntGzPuXvZxIn
18UmjbCHkWiIBDbeeA1WR6ZuLgafedHebzSgaUu,KAgTRwsCGLzgxUhSa9Fqa19mfZnU9dIkqdZ6
BWkZYJqj,YYF9HaLWJSszaQFs7YYw2NK2BGiDAkVukGKGmLPronhWpJ52,TW7rCEbiG,QhVPfrc4
7VGdgd0dPf,imEQbGzZiLzP9xgSCOQW7ohxmok&LHqaIILAK1IaSkys0FtlS0V4oBjY9xStxLTzG
OnjG2N3TcxW2gUW,ZQ0lUy5vtBmg5Px27LpB2KWlgomMJUgmIVHD,G&5sCZviV8c906cHGtJ3VC7
DLOxC9wn5KEABrLZhLvqUbSrzi4H3pddJyNGkdBMJ6qoHjhvo12nXD3JhYBlQN,knOEB0oLs&VBj
dQHAG8OOTa7bmPKSDx0jkBeRHgOT,EWdGErD9tg,wnjT4S3Qroew4Zu9Tuop&xJ8c8oRJi4iHmUF
71fqziLC5ZlNhWjFyno9fohHayWHCMIspiESscAGiCxigqqRMbJ6aCwZKPmi42ZaCILHrbmJHcHh
sVzXbYNXe9bI3QCOX0wsrWEMRaevd,F3pxQ0Je9NOv2&lsqouc9lyf9ggUmEAUaxOLC6gpqYH436
wepZNL2MYk3x45JPQOC7JUjfWVtk12yWJW7UNCoEeW&CpPISzsD63oRl4HtqkraOY4xU3LI3Vn3X
JkiBmJfqcwgvigJONXWQ3l1PBvC6zUXHP0q8Cqkj&XU3tW21OFx1jW25a,Uz40cSOjuI7SI94QML
CNLdrURfEbUvqW9wjObhmsiVD,ecRIXES3V6JIq8itPi9cYrJNuv6&GCymxjIvvEUOuTrqpn&VIJ
0V3FSYipSBxlaFk566U2nASjZeDQ0DKwm&TUI9KBO7EXZyTzyEJWioTgyeFDAzyHRwws0B,rIMt9
xAZFaUEGlElOvmmckEFT3lSIod8ABUo1kHkAammDDmLqJUwXmkFnMWyjGUC38LKY4B0KPsbRMq01
56r0Qnf16F9wnKdLheV92Wk3SfYacETJ8YEULPsFmF3AKBF8L8VbVAhmqVPfJs42b2fw7LU541Gl
XXFgpvlvwA2oN,3O6a&g,fKwn44CdrGda0fJDgS4BiDvFKQyGt&cJGd1vmGJJZpjQZ58wzI8eJ,i
ni,OISva&0eIkO,eUM3&L&K2XG9TIMOOLla7HE7YkUAv&aZtMdYOnppmh97pJ3qeVGULs8VJJWLW
iOhtZ07IVJMNTK&MWprm5TGM8Wqq7eQAmHOX4ZBygB41fIgDkC,GYkQVWcKdOjQuZhlyh9DIlfkF
BzQVqT9qQYWsBKt1oOc3JqNW3CNA9GiSWmWBXy6n91CHbMctPyz9j9rpqOGIz&oOokQZzbqIDVrY
Z433CyiNA0JxFNTzCzToHdLbPGihtlwuR7O&HJFBFQ&rhAar3RdBKGXJzo2kbw48t06VpaSoQWEo
PK22KdpFC52CT5jXYL4UlLicVoFy4bsVWtgRJOcxfY4g8lumu4dKKTGeVQBR1rxp5OPjWRw,R4Zc
Ng6zW8KP9pnXdEbQ&JFc98WxcqhPY8gqbvjs3ldLv98V7ysXeBbsC5LPYsQSCxrDrxtkbGMsIqia
tYGRhwXV,ULCU&&05IkfEpTsup6NMWKTkAN9vbi&BnwYDoAXmqCgmhK2PUGku,o7vUPyRDuS6u8B
yhT&uKVTT7hWyMp2j9W09BLihp34CvVUTgTMuTCrsU&TV2sB,m2QOzRYITDRxu6RYh09JOGsxZL&
fuXpmiRGlntkMWS8wNkbH360hwecXWJbuIGlzlGOC1&NJdAwaxzh4r24Yq2a&ZlMzobER5rM2JGR
8NBaWGDimNVxi9t4af32ZJC1hDZJ,YiELsPdhMYbw&eaHLFNtyeZjL8,K0jLgeXJy5qQDIDfvsz3
gl0XCuhORkDFbrm8VPASB&SiXWvQhKbXhgO&X5QDjDW&jUtWaWnOFr4su6&jgbB,0dGQHjBwkCYr
SQmSplQa6YmfaZOhMXkc6nwa7dKlLNAl7IVDIPHpD1vwtbFf1b4ygsG1QpRfogGO5kK,wvo9p9xT
TmrjObjj8PiIGeEXhrJpzhffrQGE5Pq,3YRj69tPQpHD2HOzNeJ,fIk8Q2YK8C0iQM,jtYbkPTsB
cui24d3MN73l4TIbHeO36l4pfEaKT1Wfnl12d2MTeKfE2MSlju28CZaOzHYFmg9y2ab994cX3gYG
RcG9FmjeoFyG&CuyDBpy8VoHLyWhWEs5XXvdl5fZ5xhgQ&w7SD&MuAmZ60SGSdQHyfPjVxJh&PvG
zkAoox18fuQ,ZU6Y6bHZdMHXn2ORD6uVjSLh3RWvaJNzReIJtozc0xPsAqhQRdhsdvfiyLQiXCqZ
N3OZmDOGP5SG6&2JpAAjcMrHeEQb8EOaQd7MATzS&fvwp4QvKbV9u6SEj6FdneD9uc0ezVR3mACu
xSlMVNtz5I&OhgG&E9zS0YigwM9O,qdCAlBkUCuuK2s2ED4qjtGtyhG0NiyxxzGhZV0w1xAPjI9y
MPNpFQ2WGPpj9B9TSP&roPdFkaVrcpoP2IXIXrOaBAduPYJD,XMNzZ475jFYiR4MT5c4QPj4la0c
RGrtp3Mq9AK&WyQ8EN93pVJg5K7zqydBhTg0uL8,XX3mofEoOXBev9y4Fx4tfHkAx9dA7ZNz1syV
eOMt3R9Nx2MfFReOg14WqBGeUWj8J6zeaWlsGsAPDaK69eSYmFeKd&o7&zyDK,kSiSxfVZ2vyPd&
IE89yjq25lZaftyu8M7LEPwznxiOaISQfn3dwNfanS9is7Bm&OpiMdSv5aRLTIYzwVNjTs&G70Yz
dLXUutU1itKhWCA5FfzTaGBfwcwkVvCaaZtOwXDwnLFvnC6lkLEW4IqpV1ev369tKMrk0ESbe,XU
p2Y7FBaebL84O7rsAa25g&7X21,iKZyMMMKA6Gd9b55Vi0zoL1xc2xP7PLNaTtvgKAspRv4f0Q0n
&pe4keWcShp22fG1RLC1UmIeO3Tnf1U5Ne3ZhA375e8XMCHcpol9nc&1jjuz3xEk&jn8sP5h272O
hOZpz5,manKaUS,nAOHgH0biL8lR,RC10ZGOipxuTq8y5&6GgnYlz1oZfcvEQ0Gt1fY4fHDqvPOi
qaPVN&ZHcGLxzXl2HUoFjbb3n&OD6X4pp0W2YjZm4DydTWGG1V54JRDh4CXx8IYPJChei2jloEti
oG6CSs0zl1ieqVlqOJwX6M0hSTFz8PV6dpn3mJ1o1qA07qSlb30jjIEHutdfBZk9ma1c1lls&tax
jjVGX69ChXg3YYE5Ceq2ImwtOpcSWyKXB1e5j22ojWqUHzwcb0q2TGAobXYD4QyRLkSEN8wPHYiF
SY6LTVTrq8TXWHXuXQ,l0vt6alUECkcYIT1oSKCrQ6q0F8VRL7SVx4tZWtDlzYefz8,yvvHPCaDj
SndlU6thxgTkiT3nFvo0sOn5NQzC0nJ3UhFmRIzxsxdxfdI6hdt3TcVV5QvEsZmZffbbKBHw0AAM
zwWb5cu8FEEUssGNaki,MUO5jjTpE669M1m1RU,rxibQi,ty6v1diKdaHD8IM2PLX9tgLbsv9sVr
f6cDgM4VEzhU4qhth59tRrIvlLV339llcqwzyybdIf751BBgPzM&Z1iIz8ysA0,T8ZIjNVzsQM1e
ByDvBdo8G5D7kYcPh6AWeaOni3A22gLuBDPAiXtdPSq25vcmYhjrmQwv2z5Ku77W0MldsbwkbNeV
c5uluO2ShV5NuuSqc9BueGzv2EGNnKuL2Zzn,mfYimw9oZgCik8HhfCafJ7iAxkWL428PR6G6UUZ
H3eMCjhH2,QcggHCh8HfSqKngBtdWsEgEd4rRZtXXH8,kC49AoXfFyDUqLVzYl85X,Ip6SAzOQ7z
KmkPqc6309iRC,8SdyXobxST,kzSr,4OsJSZHhd3klMFdWm1lwtr1RIM5G8ufyekhRxnuuh3hf35
aFHrL8IFmXX3S7SQJ&2XMY5B&9NiAnISH8AjeElPj4FhmKMYVNBtjTcbIyZD&mySYBeg5TaJm93U
7zYliXAGo54xUqBlWm8jiZHnQZe8iw9mER6EAOD9VJ,8mfqrN8LB6TSk9tKT9ZlT3FEjxNIYqYdW
236sp8X6,w,0If2KXAYELUeCqo4RTHavDSEpw0rs8eelSn5nPwdvn1lgqJGgL2RcY,Jq6LpoI1ua
Bf4fqngtwRZO727HFu5Zy5hukwyRP5E0TOwm6r8tfr8Md0bedNxwU23,v6nH&koQM&SOjhhZ1bjF
zeJssXO1tVafeQiUf92ZtH,ssfR7jeIDGNvKDdnAB,9axguWo4362WA&W,t1jWpqXvUilzCBI1Dm
ewgjGoaoGGXFvhZhg2quhkk6j&lc,jZSd9SWxrcZkKxaCkuKwtvvFzxYxmUggzM,8ud7o&Wdhhbj
yJEtVM10odMD,XIXhuJMTEy3,lH5GS0Y2TozcEMXp0SZGuGvt5srrB8hldwoF640CDMc0lqFOyz3
d,pwBHrpEWiTpAVQ7lmAg5XMOR1MlsfwbYucA58XzWqnQRAk6d4Ow56rWfsjp0S4wjQwlRXpzbM9
pG8z7iKwq4Vlmfw3,ylsLNs4Mwwc2RhtPaZIUJ4LvY2wwTQNEjz6U4GFJCVBs6GgGqF464OgIlDJ
euLRXh7h9erffvvPgyl3ucTMSkFE4l5cjJzQT0YXTJ3OAUGeILuQXwD5,0Jtj5l6m,C3yp1j7KUa
nxjvI8pnTe8Tjd9bMPkNnJdZeqX5mBcLmICjEsjflcPo,cxD5u&urEEVz6SkykllkBxch06bgIF5
fsz9LXf2xGDGVfdIUIw8&MN5vPQ1I7ilBI,yo6cyH4ORlq3u9sZrBNdufCto9odB5RQKt3wLKSbp
d4OSFIBGWUvOG1md9VGLCuQjsFavg7ByqQyBPKzcNjCfUc1TNCpF3O1BPL,j,ElvXxOCplx&k2qc
Rff6Kkl1czPl0GdOaPHz5cTWTM9Yk5L0urxoZdoK,JhU5Ax4kPqR
.unprot
.ends

Credits

alainstas
70 projects • 40 followers
product marketing engineer at Vishay. began to simulate in spice programs in 2014.

Comments