TinyCard Text Game Maker

David Johnson-Davies' device lets you make your own text-based games using an ATtiny3224 and a color TFT display.

JeremyCook
9 months ago Gaming

We’ve seen a variety of clever projects by David Johnson-Davies at Technoblogy over the years, including simple handheld games. His TinyCard Game Maker, however, takes things to the next level and lets you make a simple text adventure game or quiz on the device itself.

It’s a rather clever setup, with four buttons providing a color-coded interface. In play mode, this lets you navigate from screen to screen (AKA cards, which come in packs of 12 per game) until you reach the end of your quest. Five built-in games, including “Twisty Maze” and “The Island” are available at all times. New games can be created with the addition of a PS/2 keyboard and optionally saved on an SD card.

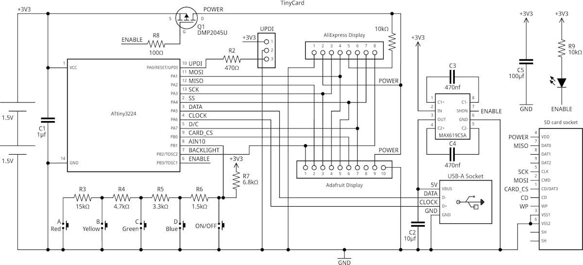
The game runs on an ATtiny3224, and output is via a 1.8” 160x128 pixel color TFT display. Conveniently, the PCB features headers for either a ST7735S SPI display from AliExpress or an equivalent model from Adafruit (though the second option is not yet supported).

The board's power supply took some consideration, as 3.3V is required for the SD card, and the keyboard needs 4.5-5V to operate correctly. Two AAA batteries, plus a MAX619 DC-DC converter, were implemented to meet these needs, and a P-MOSFET cuts power off to the display in sleep mode. The ATtiny3224, to its massive credit, is happy to accept between 1.8 and 5.5V.

It’s a clever project, and something that could inspire others to build not just a thing, but something that others can use to design themselves!

JeremyCook

Engineer, maker of random contraptions, love learning about tech. Write for various publications, including Hackster!

Latest Articles